Редуктор ЦТНД 315 цилиндрический, трёхступенчатый, горизонтальный. Используется с целью уменьшения частоты вращения, и для увеличения крутящихся моментов машин и механизмов. При использовании необходимо учитывать, что Редуктор ЦТНД 315 должен обязательно использоваться с учётом технических характеристик и параметров. Так, он используется, как при переменных, так и при постоянных нагрузках, при пародических и длительных остановках, даже в тех случаях, если валы вращаются в разные стороны, причём скорость вращения не должна быть больше 1800 об/мин. Необходимо также учитывать агрессивность среды, желательно, чтобы она была не агрессивная.
Основные технические характеристики
|
|
ЦТНД-315 |
ЦТНД-400 |
ЦТНД-500 |
|---|---|---|---|
|
Передаточное число |
50, 63, 80, 100, 125, 160 |
||
|
Номинальный |
8,3х103 |
1,7х104 |
2,85х104 |
|
Габаритные размеры, мм: |
|||
|
длина |
1110 |
1385 |
1720 |
|
ширина |
608 |
762 |
857 |
|
высота |
640 |
820 |
985 |
|
Масса, кг, не более: |
505 |
940 |
1480 |
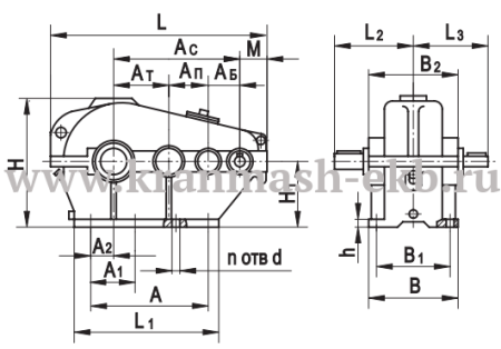
Габаритные и присоединительные размеры
|
Типоразмер редуктора |
Ас | Аб | Ап | Ат | А | А1 | А2 | B | B1 | B2 | H | H1 | h | L | L1 | L2 | L3 | d | n | Масса |
|---|---|---|---|---|---|---|---|---|---|---|---|---|---|---|---|---|---|---|---|---|
| мм | шт. | кг | ||||||||||||||||||
| ЦТНД-315 | 640 | 125 | 200 | 315 | 560 | 186 | 130 | 345 | 280 | 350 | 640 | 335 | 30 | 1110 | 680 | 340 | 245 | 26 | 6 | 505 |
| ЦТНД-400 | 810 | 160 | 250 | 400 | 720 | 240 | 170 | 425 | 340 | 430 | 820 | 425 | 40 | 1385 | 860 | 415 | 307 | 33 | 8 | 940 |
| ЦТНД-500 | 1015 | 200 | 315 | 500 | 915 | 305 | 215 | 480 | 400 | 495 | 985 | 500 | 40 | 1720 | 1080 | 517 | 368 | 33 | 8 | 1480 |
Присоединительные размеры валов
|
Типоразмер редуктора |
lвх |
lвых |
dвх |
dвых |
bвх |
bвых |
tвх |
tвых |
|---|---|---|---|---|---|---|---|---|
|
Редуктор цилиндрический ЦТНД-315 |
58 |
165 |
32 |
110 |
10 |
28 |
35,0 |
116 |
|
Редуктор цилиндрический ЦТНД-400 |
82 |
200 |
40 |
140 |
12 |
36 |
43 |
148 |
|
Редуктор цилиндрический ЦТНД-500 |
82 |
240 |
50 |
160 |
14 |
40 |
53,5 |
169 |
Оплата заказа для юридических и физических лиц.
1. Оплата по Счету, Счет-договору (для юридических лиц и ИП с расчетным счетом).
1.1. После согласования заказа наш менеджер отправляет на email клиента Счет и Спецификацию или Счет-договор (в зависимости от условий сотрудничества).
1.2. При доставке транспортной компанией (ТК) Продавца «до дверей», ее стоимость выделяется отдельной строкой в Счете/Счет-договоре.
1.3. Доставка «до терминала ТК» будет бесплатной.
1.4. Срок действия Счет-договора 7 календарных дней. По их окончании программа автоматически расформировывает Счет-договор – бронь снимается.
2. Оплата товара.
2.1. Оплата принимается по безналичному расчету путем перевода денежных средств с р/с Покупателя на р/с Продавца.
2.2. При оплате наличными вы дожидаетесь курьера и передаёте ему сумму за товар в рублях. Покупатель подписывает документы, вносит денежные средства и получает чек.
2.3. Датой оплаты считается дата зачисления денежных средств на р/с Продавца.
Подробнее об условиях оплаты читайте в разделе Условия оплаты.
Доставка производится по России и странам СНГ. Предлагаем несколько вариантов отгрузки товара.
1. Доставка транспортной компанией (ТК) или курьерской службой Покупателя.
1.1. Мы сотрудничаем с транспортными компаниями:
- Транспортная компания КИТ.
- Деловые линии.
- ПЭК.
Также доставка может быть осуществлена:
- транспортными компаниями;
- авиа- и ж/д транспортом;
- контейнерными перевозками;
- экспресс-почтой, либо курьерской доставкой;
До транспортной компании доставляем бесплатно.
1.2. Покупатель может самостоятельно заказать услуги ТК или курьера и забрать заказ по адресу г. Екатеринбург, ул. Артинская, 6а.
2. Самовывоз со склада Продавца.
Если товар есть в наличии на складе, то заказ можно забрать на следующий день после получения оплаты или в день оплаты при наличии платежки с отметкой банка о проведении платежа. Если товар «под заказ», приезжать за ним можно после уведомления нашего менеджера.
Важно! Перед приездом или отправкой курьера необходимо связаться с менеджером и уточнить готовность товара к отгрузке.
Услуга доступна по адресу г. Екатеринбург, ул. Артинская, 6а, офис 2, с 9:00 до 17:00.
3. Доставка заказа ТК Продавца «до дверей» Покупателя.
Подробнее об условиях доставки читайте в разделе Условия доставки.
